交通灯课程设计带报告Verilog代码Quartus DE2-115开发板
名称:交通灯课程设计带报告Verilog代码Quartus DE2-115开发板
软件:Quartus
语言:Verilog
代码功能:
交通信号灯的控制电路的设计实现
设计说明与技术指标
设计一个交通信号灯控制系统。信号灯分为红绿黄三种。道路分为干路和支路。干路交通流量较大,需要更长的通行时间。支路车辆相对较少,分配的通行时间相对较少。红灯停,绿灯行,黄灯时是预备时间,也要停止
要求
1:干诌绿灯F问55秒,黄灯时1秒,红灯时问35秒
2:支绿灯时间25秒,红灯时间65秒,黄灯时间10秒
FPGA代码Verilog/VHDL代码资源下载:www.hdlcode.com
本代码已在DE2-115开发板验证,DE2-115开发板如下,其他开发板可以修改管脚适配:
演示视频:
设计文档:
一、系统设计
要求设计一个交通灯控制系统。信号灯分为红黄绿三种。道路分为干路和支路。干路交替流量较大。需要更长的通行时间,支路车辆相对较少,分配的通行时间啊in相对较少。红灯停绿灯行,黄灯时是预备时间,也要停止。
要求:
1:干路绿灯时间55秒,黄灯时间10秒,红灯时间35秒。
2:支路绿灯时间25秒,红灯时间65秒。黄灯时间10秒。
设计系统功能模块如下所示:

系统分为分频模块、红绿灯控制模块、倒计时控制模块、数码管显示模块四个子模块,然后通过顶层模块将这四个模块连接起来。
分频模块用于将系统时钟50MHz分频为1Hz,1Hz对应1秒,可用于后续的倒计时控制。
红绿灯控制模块用于实现主路支路的红绿灯切换控制,即控制红绿灯按干路绿灯时间55秒,黄灯时间10秒,红灯时间35秒。支路绿灯时间25秒,红灯时间65秒。黄灯时间10秒的规律变化。该模块使用状态机控制,状态图如下:

状态分为复位状态,主路绿灯状态,主路黄灯状态,支路绿灯状态,支路黄灯状态。当按下复位复位按键时状态机进入复位状态,然后自动进入主路绿灯状态,在该状态下,主路绿灯亮,支路红灯亮。经过55秒后,进入主路黄灯状态,在该状态下,主路黄灯亮,支路红灯亮。经过10秒后,进入支路绿灯状态,在该状态下,主路红灯亮,支路绿灯亮。经过25秒后,进入支路黄灯状态,在该状态下,主路红灯亮,支路黄灯亮。经过10秒后,进入主路绿灯状态,在该状态下,主路绿灯亮,支路红灯亮。
倒计时控制模块用于根据红黄绿灯的状态和总时间计算倒计时,例如干路绿灯时间是55秒,在干路绿灯亮时,开始计数,计数时钟用分频模块输出的1Hz信号,即可以计数0~54,然后再用总时间55减去计数值,就能得到倒计时数。其他灯的倒计时同理。然后在绿灯亮时,只显示绿灯的倒计时,在红灯亮时,只显示红灯的倒计时,在黄灯亮时,只显示黄灯的倒计时。
数码管显示模块用于将倒计数显示在数码管上,即需要实现数码管译码功能,将倒计时值译码为数码管显示值。
二、功能模块设计分析
分频模块框图如下所示:

分频模块框图
模块中输入信号为clk,为系统时钟50MHZ,输出信号为clk_out,为1Hz的信号。
红绿灯控制模块框图如下所示:

输入clk_1Hz为分频模块输出的1Hz时钟,输入main_green_time、main_yellow_time、branch_green_time、branch_yellow_time分别表示主路绿灯时间(8’h37为十六进制,对应十进制的55)、主路黄灯时间、支路绿灯时间、支路黄灯时间。
输出main_red、main_green、main_yellow分别表示主路红、绿、黄灯。branch_red、branch_green、branch_yellow分别表示支路红、绿、黄灯。输出main_green_BCD、main_yellow_BCD、main_red_BCD分别表示主路绿灯正计数、主路黄灯正计数、主路红灯正计数。branch_green_BCD、branch_yellow_BCD、branch_red_BCD分别表示支路绿灯正计数、支路黄灯正计数、支路红灯正计数。
倒计时控制模块框图如下所示:

输入clk为系统时钟50MHz,输入main_red、main_green、main_yellow分别表示主路红、绿、黄灯。branch_red、branch_green、branch_yellow分别表示支路红、绿、黄灯。输入main_green_time、main_yellow_time、branch_green_time、branch_yellow_time分别表示主路绿灯时间(8’h37为十六进制,对应十进制的55)、主路黄灯时间、支路绿灯时间、支路黄灯时
间。输入main_green_BCD、main_yellow_BCD、main_red_BCD分别表示主路绿灯正计数、主路黄灯正计数、主路红灯正计数。branch_green_BCD、branch_yellow_BCD、branch_red_BCD分别表示支路绿灯正计数、支路黄灯正计数、支路红灯正计数。
输出main_data_out表示主路倒计时数据显示值,branch_data_out表示支路倒计时数据显示。
数码管显示模块框图如下所示:

输入clk为系统时钟50MHz,输入SMG_1表示主路倒计时数据显示值,SMG_2表示支路倒计时数据显示。输出HEX0为支路倒计时个位,HEX1为支路倒计时十位,输出HEX2为主路倒计时个位,HEX3为主路倒计时十位。
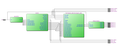
系统顶层模块将上述四个模块连接起来,如下图所示:

顶层端口输入为50MHz时钟,输出main_red、main_green、main_yellow分别表示主路红、绿、黄灯。branch_red、branch_green、branch_yellow分别表示支路红、绿、黄灯。输出HEX0为支路倒计时个位,HEX1为支路倒计时十位,输出HEX2为主路倒计时个位,HEX3为主路倒计时十位。
三、仿真分析
代码设计完成后,经过编译综合,成功后可以编写TB文件进行仿真验证,TB文件验证的原理是模拟产生代码的输入信号,将输入信号加载到代码中观察输出信号是否满足设计要求。设计的TB文件如下所示:

TB文件中模拟了系统输入信号50MHz,然后通过仿真图观察各个模块的信号是否满足设计要求。
分频模块仿真图如下:

图中输入clk为50MHz信号,输出clk_out信号正确分频为1Hz,模块功能验证正确。
交通灯控制模块仿真图如下:

局部放大后

图中clk_1Hz为1秒时钟频率,输入main_green_time、main_yellow_time、branch_green_time、branch_yellow_time分别表示主路绿灯时间(55 秒)、主路黄灯时间(10秒)、支路绿灯时间(25秒)、支路黄灯时间(10秒)。
输出main_red、main_green、main_yellow分别表示主路红、绿、黄灯。branch_red、branch_green、branch_yellow分别表示支路红、绿、黄灯。输出main_green_BCD、main_yellow_BCD、main_red_BCD分别表示主路绿灯正计数、主路黄灯正计数、主路红灯正计数。branch_green_BCD、branch_yellow_BCD、branch_red_BCD分别表示支路绿灯正计数、支路黄灯正计数、支路红灯正计数。图中可以看到主路主路红绿灯切换正确,时长正确。因此交通灯控制模块功能验证正确。
倒计时控制模块仿真图如下:


输入clk为系统时钟50MHz,输入main_red、main_green、main_yellow分别表示主路红、绿、黄灯。branch_red、branch_green、branch_yellow分别表示支路红、绿、黄灯。输入main_green_time、main_yellow_time、branch_green_time、branch_yellow_time分别表示主路绿灯时间、主路黄灯时间、支路绿灯时间、支路黄灯时间。输入main_green_BCD、main_yellow_BCD、main_red_BCD分别表示主路绿灯正计数、主路黄灯正计数、主路红灯正计数。branch_green_BCD、branch_yellow_BCD、branch_red_BCD分别表示支路绿灯正计数、支路黄灯正计数、支路红灯正计数。
输出main_data_out表示主路倒计时数据显示值,branch_data_out表示支路倒计时数据显示。观察图中main_data_out信号和branch_data_out信号,可以清楚看到倒计时计数正确,对应的红绿灯也正确。因此倒计时控制模块功能验证正确。
数码管显示模块仿真图如下:

输入SMG_1表示主路倒计时数据显示值,SMG_2表示支路倒计时数据显示。输出HEX0为支路倒计时个位,HEX1为支路倒计时十位,输出HEX2为主路倒计时个位,HEX3为主路倒计时十位。图中当SMG_1=54时,表示主路倒计时为54,即需要HEX2显示4,HEX3显示5,4对应的数码管译码值为10011001,5对应的数码管译码值为10010010。因此显示模块功能验证正确。
顶层模块仿真图为:


顶层端口输入为50MHz时钟,输出main_red、main_green、main_yellow分别表示主路红、绿、黄灯。branch_red、branch_green、branch_yellow分别表示支路红、绿、黄灯。可以清楚看到倒计时计数正确,对应的红绿灯也正确。数码管显示图中当SMG_1=54时,表示主路倒计时为54,即需要HEX2显示4,HEX3显示5,4对应的数码管译码值为10011001,5对应的数码管译码值为10010010,整体仿真正确。
四、结论与体会
本文设计的交通灯控制系统采用自顶向下的设计方法,系统采用模块化设计,并对每个模块进行了单独仿真,仿真验证正确,最终整体仿真功能也正确。本设计可以在代码中灵活修改红绿灯时间,具有适应性好的优点。当然本系统也有改进的空间,比如后续可以改为按键控制修改红绿灯时间。
参考文献
[1] 袁玉卓等.FPGA自学笔记-设计与验证[M].北京:北京航空航天大学出版社
[2] 王振红. FPGA电子系统设计项目实践[M]. 北京:清华大学出版社
[3] 南志贤等. 基于Quartus Prime的FPGA/CPLD数字系统设计实例[M]. 北京:电子工业出版社
[4] 姜书艳等. 数字设计FPGA应用[M]. 北京:科学出版社
[5] 赵艳华等.实例讲解:基于Quartus II的FPGACPLD数字系统设计快速入门
[M].北京:电子工业出版社
[6] 张晋荣等. FPGA实战训练精粹[M]. 北京:清华大学出版社
附录I 顶层设计RTL视图(插入分页符,另起一页)

附录II 状态机视图(插入分页符,另起一页)

部分代码展示:
/* 红->绿 绿->黄 黄->红 1、红--计时main_red_times------------------------绿--计时main_green_times---main_yellow_times黄灯---------------红 2、绿--计时branch_green_times---branch_yellow_times黄灯--------------------红--计时branch_reg_times-------------------绿 */ module traffic_light( input clk,//50Mhz output main_red,//主路灯 output main_green,//主路灯 output main_yellow,//主路灯 output branch_red,//支路灯 output branch_green,//支路灯 output branch_yellow,//支路灯 output [7:0] HEX0,//(主干道)数码管0 output [7:0] HEX1,//(主干道)数码管1 output [7:0] HEX2,//(支干道)数码管2 output [7:0] HEX3//(支干道)数码管3 ); wire clk_1Hz; wire [7:0] main_green_BCD; wire [7:0] main_yellow_BCD; wire [7:0] main_red_BCD; wire [7:0] branch_green_BCD; wire [7:0] branch_yellow_BCD; wire [7:0] branch_red_BCD; wire [7:0] main_data_out; wire [7:0] branch_data_out; wire main_red_led;//主路灯 wire main_green_led;//主路灯 wire main_yellow_led;//主路灯 wire branch_red_led;//支路灯 wire branch_green_led;//支路灯 wire branch_yellow_led;//支路灯 assign main_red=main_red_led;//主路灯 assign main_green=main_green_led;//主路灯 assign main_yellow=main_yellow_led ;//主路灯 assign branch_red=branch_red_led;//支路灯 assign branch_green=branch_green_led;//支路灯 assign branch_yellow=branch_yellow_led ;//支路灯
代码文件(付费下载):
![]()
2、支付问题请联系微信公众号客服。
3、优质Verilog/VHDL代码资源,所见即所得。
Verilog/VHDL资源下载 » 交通灯课程设计带报告Verilog代码Quartus DE2-115开发板
发表评论
模板文件不存在: ./template/plugins/comment/pc/index.htm