基于FPGA的简易等精度频率计设计Verilog代码VIVADO仿真
名称:基于FPGA的简易等精度频率计设计Verilog代码VIVADO仿真
软件:VIVADO
语言:Verilog
代码功能:简易等精度频率计设计
FPGA代码Verilog/VHDL代码资源下载:www.hdlcode.com
演示视频:
设计文档:
1. 工程文件

2. 程序代码

3. 程序综合

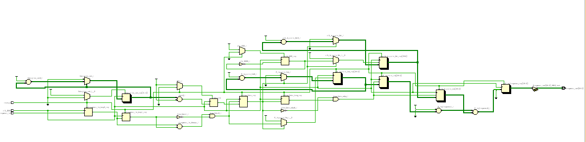
4. RTL图

5. 测试代码

6. 仿真图



部分代码展示:
`timescale 1ns / 1ps ////////////////////////////////////////////////////////////////////////////////// // Company: // Engineer: // // Create Date: 2019/01/13 15:33:36 // Design Name: // Module Name: Frequency_Calculator // Project Name: // Target Devices: // Tool Versions: // Description: // // Dependencies: // // Revision: // Revision 0.01 - File Created // Additional Comments: // ////////////////////////////////////////////////////////////////////////////////// module Frequency_Calculator( input reset_n, //系统复位信号 input clk_200M,//系统时钟信号,这里采用200MHz input frequency_in,//待测信号输入 output [59:0] Frequency_out//输出频率,单位Hz ); parameter Gate_div_number=32'd400000;//闸门信号计数值,为便于仿真取400000(1ms),若取400000000则为1s reg clk_100M=0; //已知频率的标准输入信号100M always@(posedge clk_200M) if(reset_n==0) clk_100M<=0; else clk_100M<=~clk_100M;//200M分频到100M reg Gate=0; //闸门信号输入,取1ms reg [31:0] Gate_time_cnt=32'd0; always@(posedge clk_200M) if(reset_n==0) Gate_time_cnt<=32'd0; else if(Gate_time_cnt==Gate_div_number-1) Gate_time_cnt<=32'd0; else Gate_time_cnt<=Gate_time_cnt+32'd1; always@(posedge clk_200M) if(reset_n==0) Gate<=0; else if(Gate_time_cnt>=Gate_div_number/2) Gate<=1;//闸门信号输入 else Gate<=0; reg[29:0]F_in_cycle; //待测信号的周期个数 reg[29:0]clk_in_cycle; //标准输入信号周期个数 reg Data_Done; //待测信号和标准输入信号的周期数计算完成 //同步待测信号输入 reg frequency_in_temp0,frequency_in_temp1; always@(posedge clk_200M or negedge reset_n) if(!reset_n)begin frequency_in_temp0 <= 1'b0; frequency_in_temp1 <= 1'b0; end else begin frequency_in_temp0 <= frequency_in; frequency_in_temp1 <= frequency_in_temp0; end //检测待测信号变化 wire frequency_in_change; assign frequency_in_change = (frequency_in_temp0 != frequency_in_temp1)?1'b1:1'b0; //同步闸门信号输出 reg Sync_Gate=0; always@(posedge clk_200M or negedge reset_n) if(!reset_n) Sync_Gate <= 1'b0; else if(frequency_in_change && (!frequency_in_temp1))begin if(Gate)
代码文件(付费下载):
![]()
1、代码文件需要付费后才可见。
2、支付问题请联系微信公众号客服。
3、优质Verilog/VHDL代码资源,所见即所得。
Verilog/VHDL资源下载 » 基于FPGA的简易等精度频率计设计Verilog代码VIVADO仿真
2、支付问题请联系微信公众号客服。
3、优质Verilog/VHDL代码资源,所见即所得。
Verilog/VHDL资源下载 » 基于FPGA的简易等精度频率计设计Verilog代码VIVADO仿真
发表评论
模板文件不存在: ./template/plugins/comment/pc/index.htm