交通灯设计Verilog代码Quartus 小脚丫开发板
名称:交通灯设计Verilog代码Quartus 小脚丫开发板
软件:Quartus
语言:Verilog
代码功能:
小脚丫开发板的交通灯设计
设计十字路口交通灯,每条路各有3个灯,分别为红黄绿,控制红绿灯的亮灭
FPGA代码Verilog/VHDL代码资源下载:www.hdlcode.com
本代码已在小脚丫开发板验证,小脚丫开发板如下,其他开发板可以修改管脚适配:
设计文档:
1. 工程文件

2. 程序文件

3. 程序编译

4. RTL图(电路结构图)

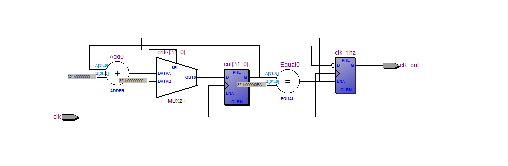
分频模块

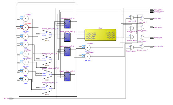
交通灯控制模块

5. 仿真图
整体仿真图


交通灯分为主路和支路,两条路均为:红灯33秒,绿灯30秒,黄灯3秒。主路为红灯时支路为绿灯和黄灯,支路为红灯时主路为绿灯和黄灯。且红灯最后3秒会闪烁,绿灯最后3秒也会闪烁,黄灯不闪烁。
分频模块


交通灯控制模块


管脚分配

部分代码展示:
/* 红->绿 绿->黄 黄->红 1、红--计时main_red_times------------------------绿--计时main_green_times---main_yellow_times黄灯---------------红 2、绿--计时branch_green_times---branch_yellow_times黄灯--------------------红--计时branch_reg_times-------------------绿 */ //设路口A为主路,路口B为支路 module traffic_light( input clk,//时钟 //led 1亮0灭 output [2:0]main_LED,//主路灯 output [2:0]branch_LED//支路灯 ); wire clk_1Hz; wire main_red_led;//主路灯 wire main_green_led;//主路灯 wire main_yellow_led;//主路灯 wire branch_red_led;//支路灯 wire branch_green_led;//支路灯 wire branch_yellow_led;//支路灯 //led 1亮0灭 assign main_LED[0]=~main_red_led;//主路灯 assign main_LED[1]=~main_green_led;//主路灯 assign main_LED[2]=~main_yellow_led ;//主路灯 assign branch_LED[0]=~branch_red_led;//支路灯 assign branch_LED[1]=~branch_green_led;//支路灯 assign branch_LED[2]=~branch_yellow_led ;//支路灯 //分频模块 div div100 ( . clk(clk), . clk_out(clk_1Hz) );
代码文件(付费下载):
![]()
1、代码文件需要付费后才可见。
2、支付问题请联系微信公众号客服。
3、优质Verilog/VHDL代码资源,所见即所得。
Verilog/VHDL资源下载 » 交通灯设计Verilog代码Quartus 小脚丫开发板
2、支付问题请联系微信公众号客服。
3、优质Verilog/VHDL代码资源,所见即所得。
Verilog/VHDL资源下载 » 交通灯设计Verilog代码Quartus 小脚丫开发板
发表评论
模板文件不存在: ./template/plugins/comment/pc/index.htm